über 25.000 Artikel auf Lager Beratender Partner Umfangreiche Produktkenntnisse
Zur Startseite gehen

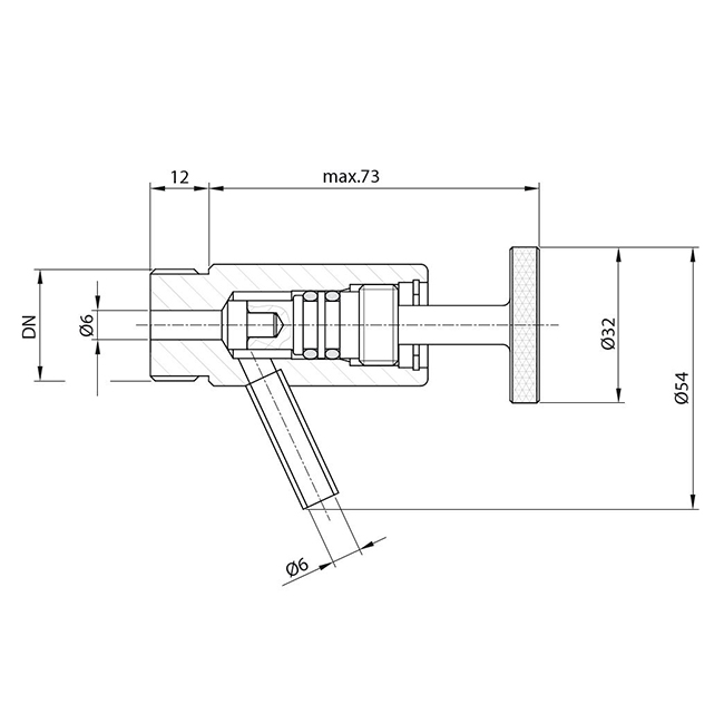
Inoxpa Probenahme

Inoxpa Probenahmeventile

sind speziell für die Probenahme in Flüssigkeitsverarbeitungsanlagen in der Lebensmittel- und Chemieindustrie sowie für andere Prozesse, die eine hygienische Ausrüstung erfordern, konzipiert. 
Um eine Probe zu entnehmen, wird einfach der Kopf abgeschraubt, um die Membran zu trennen, so dass die Flüssigkeit in das Auslassrohr fließen kann.

Merkmale:

  • Verfügbarer Ø: ¼'' und ½'',
  • Gewindeanschluss ISO 228-1.

Materialien:

  • Metallteile AISI 304L,
  • Drehzapfenverschluss PTFE,
  • O-ring NBR,
  • Äußere Oberflächenbehandlung Elektropoliert.

Optionen:

  • Oberes Niveauventil,
  • Oberes Niveauregulierungsventil, Ablassventil,
  • Füllstandsventil für Ablassschlauch.

Filter
Artikelnr. Beschreibung Maßreihe ISO 4144 Werkstofftyp Dichtung Lager
32434022CA
Probenahmeventile Typ 8207 1/2" BSP 304 NBR
Inoxpa Probenahmeventile Type 8207 1/2" BSP ISO 228-1 304 NBR/PTFE

3.1 Zertifikat: Nein

1/2" (ø 21,3)
304 (L)
PTFE / NBR