25,000 unique items in stock Consulting partner Thorough product knowledge
Go to homepage

MaprTherm bend 90° gusset-socket 42mm

Product information
Geberit Mapress Therm 1.4301 (304) / CIIR Bend 90° with plain end 42 mm

Properties

Application: Mapress Therm
Dimensions: (ø 42 mm)
Degrees: 90°
Elastomer: Standard CIIR

Product information

Weight 0.228 kg
Custom tariff code 73072310
Packaging Unit packed per 2 pieces
3.1 Certificate: No

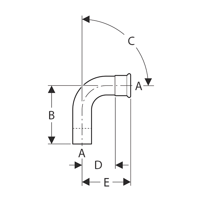
Dimensions

Dimension A 42
Dimension B 88
Dimension C 90°
Dimension D 50
Dimension E 80