25.000 unieke producten op voorraad Adviserende gesprekspartner Gedegen productkennis
Naar de startpagina

Terugslagklep LKC-H TSK 2" 316L L/L EPDM

Productinformatie
Alfa Laval Terugslagklep Type LKC-H Horizontale inbouw Las/las 2" (50,80) 1.4404 (316L) EPDM

Eigenschappen

Maatvoering: 2" (ø 51 mm)

Productinformatie

Gewicht 1 kg
CBS code 84818099
3.1 Certificaat: Nee

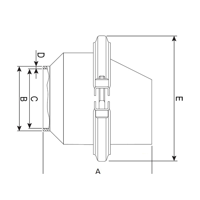
Afmetingen

Dimension A 104,1
Dimension B 51,4
Dimension C 48,5
Dimension D 1,45
Dimension E 99